Explorer
December 9, 2025
Question
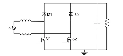
Firmware Of Bridge less Pfc Circuit
- December 9, 2025
- 0 replies
- 90 views
I have an Queary ,
How to design Firmware Of Bridge less Pfc Circuit ?
For Below Specifiction
- input Voltage is varrible(Comes In AC)
- input current is constant (2.8 amps and 6.6amps )
- output voltage is constant 24vDC
- output Current Is 1.5Amps
Note : Input Device Name Is Constant Current Regulator .
So kindly Suggest How To Design Firmware And Calculation Of Frequency As Per Circuit (Like Inductor RIpple And All)
Circuit Digram Is Attached .

Regards,
Nilmani
