Visitor II
December 19, 2025
Solved
STM32F411 USB device not working with windows custom PCB
- December 19, 2025
- 5 replies
- 57 views
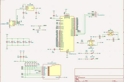
I created a custom STM32F411 PCB. I can program it and blink a LED for example just fine. I also have a STM32 blackpill board which uses the same MCU. When I run some USB HID code it works fine on the blackpill but once uploaded to my custom PCB and I plug it into my windows PC, it says the usb device malfunctioned and is not working. I followed all the guidelines from the datasheet for the USB design. (I dont need external pull-ups for D+, no need for VBUS sensing). Also I have a 25Mhz HSE clock that is properly configured for the precise 48Mhz USB clock even though its only running at FS. Any ideas to why this might be happening?


