USB host MSC stm32h563 insertion callback not run
Hello,
I'm trying to detect a USB stick insertion event to write a text file in the stick.
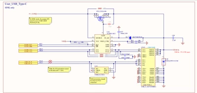
I'm working on a NUCLEO-H563ZI with a jumper connected to JP2 USB USER line and a USB TYPE-C TYPE-A connector attacched in CN13.

I started the code from an ST Example but without the USB-PD because I need only two lines (USB_FS_P and USB_FS_N).
I saw others example with USB_OTG but my .ioc doesn't have this option.
The problem is that I can't catch the USB stick insertion event. I put a breakpoint on "_ux_host_class_storage_activate" and on the "ux_host_event_callback" functions but I never reach these points.
Where the event is cathced in the ST functions? What I'm missing / I'm doing wrong?
I have attached the project.
Thanks for the support
